ВСЕ РАЗДЕЛЫ

Поиск на сайте

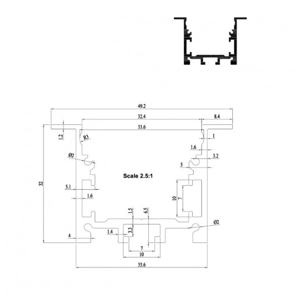
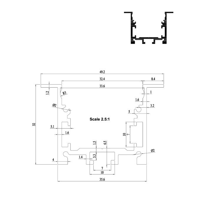
Профиль Встраиваемый 3250-2000 Anod С Матовым Экраном 74021

Размеры ДхШхВ, мм: 32x50x2000
Способ установки: встраиваемый
Тип алюминия: анодированный
49,72 BYN за метр
  • Самовывоз 
    г.Минск ул. Брилевская 44Б 2 этаж офис 18
  • Доставка 
    Курьером по Минску - в день заказа
    По Республики Беларусь - на следующий день
  • Оплата
    При получении, Безналичный расчет

Профиль подходит для всех типов лент шириной до 25 мм. Отдельно приобретаются заглушки, крепления. Стоимость указана за метр погонный с экраном без НДС. Возможна окраска в цвет по RAL.

Размеры ДхШхВ, мм: 32x50x2000
Способ установки: встраиваемый
Тип алюминия: анодированный